FAQs
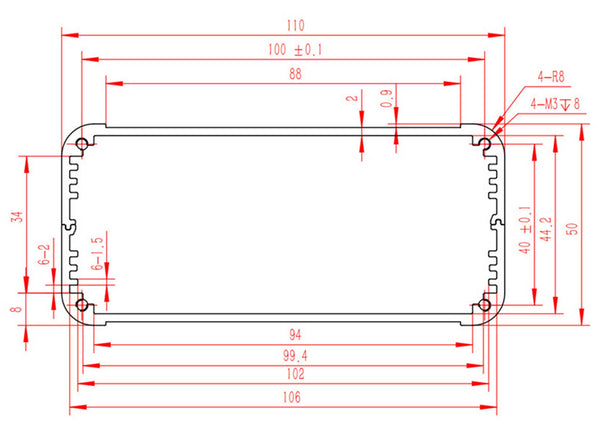
Holes can be opened, but because the machining is performed by CNC, the square holes will have R1 arcs.
Yes, but if the increase is too thick, our screws may not be long enough, and additional screws are required.
No, our length is only the net length of the aluminum enclosure and does not include the length of the baffle and protective cover.
than anyone in the electronics enclosure industry!
Provide sample custom services to help you realize your vision
Product design case
Unique industrial design
Yongu custom designed electronic enclosure saves time and money, we will send out your design drawings within 12 hours.The yongu industrial design department has been established for 17 years, and 10+ designers have rich design experience at the same time. We provide product appearance design, structural design, quick proofing services.
We deeply integrate industrial design into the PLM workflow by customizing the Product Lifecycle Management (PLM) product management system. Below are the services we provide.
Design analysis: design demand analysis, competitive brand analysis, user research analysis, industry trend analysis, design trend analysis, product CMF analysis, product human-machine analysis and other services
Appearance design: design report file (PPT), appearance three-dimensional file (STP) rendering (PNG), description of appearance rendering (JPG), silk screen file (CDR)
Structural Design: Structural 3D File (STP), Patent File Drawing (JPG), Engineering Drawing (DWG)
Engineering: Provide product life cycle management, customized project solutions, functional testing and other services.
Complete custom-to-delivery process













